Hotel Reservations
Fair Management has reserved a sufficient number of rooms at hotels near the site from October 29 (Mon.) to November 6 (Tue.). Reservations will be confirmed in order of receipt of application form. Availability
of rooms is not guaranteed for late applications.
RESERVATION AND PAYMENT FOR HOTEL
Reservation starts Form June 5 (Tue.)
(1) For hotel reservation, please apply online or complete the hotel application form and send it to JTB Global
Marketing & Travel Inc. (JTBGMT) by FAX no later than 28 September, 2012.
(2) Application should be accompanied by a remittance covering total fare due JTB GMT. Noreservation will be
confirmed in the absence of this payment. Personal checks are not accepted. Allpayments must be in
Japanese yen. If the remittance covers more than one person, please informus the name of each participant.
Contact |
JTB Global Marketing & Travel Inc. (JIMTOF2012 JTB DESK)
E-mail: JIMTOF2012@gmt.jtb.jp
Contact: JIMTOF2012 JTB desk |
Package Booth
The Organizer suggests Exhibitors to make use of the Shell Scheme Booth using Octanorm system following 3R (Reduce/Recycle/Reuse). The Package Booth (1 booth and 2 booths plan) make the exhibit cost lower and more effective for Exhibitors.
Please submit Order form 19 for Package Booth Order form 20 for Rental Items by September 19 (Wed.) to Fujiya Co., Ltd.
| Package Booth and Rental Items
|
Request and contact: Fujiya Co., Ltd.
5-6-36 Toyosu, Koto-ku, Tokyo-to 135-0061
SIA Toyosu Prime Square 3F
TEL: 03-5548-2812 FAX: 03-5548-2838
Contact: Sales 1 Department
Mr. Yokose:d-yokose@fujiya-net.co.jp
Mr. Fukuda:h-fukuda@fujiya-net.co.jp |
One-booth A type
| One-booth A type <Basic items> |
| No. |
Items |
Qty |
| 1 |
Needle punch Carpet
|
1booth |
| 2 |
Fascia with Exhibitor's Name |
1set |
| 3 |
Reception Desk |
1unit |
| 4 |
Reception Chair |
1pc |
| 5 |
Fluorescent tube (40watts) |
1pc |
| 6 |
Power Outlet (100voltage:450watts) |
1pc |
| 7 |
Arm-spotlight (re‹ector lamp) |
2pcs |
| 8 |
Main Power Supply Charge (100voltage) |
1.5kw |
Total Price JPY79,800.- (incl. tax)
* The excess power over the capacity above
is not included in the above.

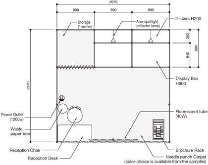
One-booth B type
| One-booth B type <Basic items> |
| No. |
Items |
Qty |
| 1 |
Needle punch Carpet
|
1booth |
| 2 |
Fascia with Exhibitor's Name |
1set |
| 3 |
Reception Desk |
1unit |
| 4 |
Reception Chair |
1pc |
| 5 |
Brochure Rack |
1unit |
| 6 |
Display Box (2-stairs) |
2units |
| 7 |
Storage (1m×1m) |
1set |
| 8 |
Wastepaper-box |
1box |
| 9 |
Fluorescent tube (40watts) |
2pcs |
| 10 |
Power Outlet (100voltage:450watts) |
2pcs |
| 11 |
Arm-spotlight (reflector lamp) |
2pcs |
| 12 |
Main Power Supply Charge(100voltage) |
1.5kw |
Total Price JPY149,100.- (incl. tax)
* The excess power over the capacity above
is not included in the above.

Two-booths A type
| Two-booths A type |
| No. |
Items |
Qty |
| 1 |
Needle punch Carpet
|
2booths |
| 2 |
Fascia with Exhibitor's Name |
1set |
| 3 |
Reception Desk |
1unit |
| 4 |
Reception Chair |
1pc |
| 5 |
Fluorescent tube (40watts) |
2pcs |
| 6 |
Arm-spotlight (refector lamp) |
4pcs |
| 7 |
Power Outlet (100voltage:450watts) |
2pcs |
| 8 |
Main Power Supply Charge(100voltage) |
1.5kw |
Total Price JPY132,300.- (incl. tax)
* The excess power over the capacity above
is not included in the above.

Two-booths B type
| Two-booths B type |
| No. |
Items |
Qty |
| 1 |
Needle punch Carpet |
2booths |
| 2 |
Fascia with Exhibitor's Name |
1set |
| 3 |
Reception Chair |
1pc |
| 4 |
Meeting set |
1set |
| 5 |
Brochure Rack |
1unit |
| 6 |
Display Box (2-stairs) |
2units |
| 7 |
Storage (3m×1m) |
1set |
| 8 |
Wastepaper-box |
1box |
| 9 |
Fluorescent tube(40watts) |
2pcs |
| 10 |
Arm-spotlight (reflector lamp) |
4pcs |
| 11 |
Power Outlet (100voltage:450watts) |
2pcs |
| 12 |
Main Power Supply Charge (100voltage) |
1.5kw |
Total Price JPY258,300.- (incl. tax)
* The excess power over the capacity above
is not included in the above.
